用于在暖通空調系統中作為調節或截止閥。
● 球墨鑄鐵,EN-GJS-450-10 (QT450) 閥體
● DN 65...150
● kvs 63...360 m3/h
● 旋轉角度 90°
● 法蘭連接標準 ISO 7005-2
● 可以配無彈簧復位的 GBB..1E 和 GIB..1E 旋轉執行器,以及有彈簧復位的GCA 執行器
用途
用于在暖通空調系統中作為控制或截止閥。
適用于閉式冷卻水系統(請參閱“氣蝕現象”)。
技術設計
閥門流量特性
![]() |
0…90 o 等百分比 nql = 3.0 符合 VDI/VDE 2173 標準 |
氣蝕現象
氣蝕會加速球體和閥座的磨損,還會產生噪音。如果未超過流量曲線圖中顯示的壓差且遵循相應的靜壓要求,則可以避免氣蝕。
關于冷凍水的注意事項:
要避免冷凍水循環中的氣蝕現象,需要保證閥門出口有足夠的背壓,例如,在換熱器后加裝節流閥。按照下面的流量曲線圖中的 80 °C 曲線選擇閥門的最大壓降。
Δpmax = 閥門處于幾乎關閉狀態時,閥門兩端的最大允許壓差,很大程度上可以避免氣蝕
p1 = 入口靜壓
p3 = 出口靜壓
M = 水泵
設備組合
注意:
Δpmax = 閥門兩端的最大允許差壓,在此壓差范圍內相配執行器能在整個行程準確地驅動閥門。
如果要求運行時噪音較低,建議使用最大允許壓差 240 kPa
ps = 在保證執行器可安全關閉的情況下,閥門兩端的最大允許差壓(關閉壓差)
執行器概述
技術參數
功能數據
額定壓力:PN 16 符合 ISO 7268
工作壓力:符合 ISO 7005 標準,請參見工作壓力與介質溫度曲線圖。
流體特性:等百分比;ngl = 3.0 符合 VDI / VDE 2173(已修改)
泄漏率:kvs 值的 0…0.01%
允許使用的介質:冷卻水、冷凍水、低溫熱水、摻有防凍劑的水;建議:水處理需依照 VDI 2035 標準
介質溫度:2...80 °C
可調比 Sv:≥ 200
材料
閥體:球墨鑄鐵,EN-GJS-450-10 (QT450)
球體:不銹鋼 (SS304)
閥桿:不銹鋼 (SS304)
閥座:PTFE
球體:帶石墨的特氟龍
密封材料:EPDM O 型環
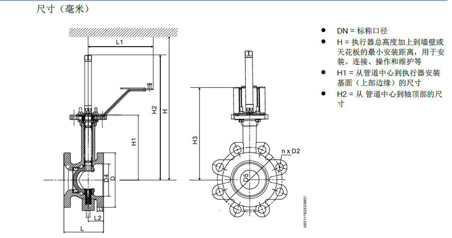
閥門尺寸








